본문

FT-5000 샘플링 가스감지기 특징 | |
2차 폭발을 방지하는 내압 방폭구조 | |
전기적인 Noise 최소화 | |
감지센서의 안전한 동작을 위해 정전압 회로 구성 | |
빠른 응답 속도, 강력한 간섭 방지 기능 | |
고급 진공 흡입 펌프를 사용한 정밀 가스 측정 | |
고품질 가스센서를 사용하여 뛰어난 감도와 반복성 제공 | |
작업자 1인으로 교정 및 유지보수 간편 | |
Display에서 교정 설정, 교정일자 표시로 관리주기 확인 편리 | |
마그네틱키로 현장 디스플레이에서 교정 및 다양한 프로그램 설정 | |
센서 타입별, 그룹별로 감기지 PCB 교체없이 센서교체만으로 운영가능 | |
4-20mA. DC 표준 출력 제공, 릴레이 접점 출력 | |
DCS & PLC 모니터링 시스템에 연결 | |
각종 제어 기기 연결하여 사용 | |
5자리 표기된 LCD 디스플레이 | |
고휘도 LED Flash Lamp (H,HH) | |
점멸 (Flickening), 점등 (Lighting) 사용자 선택 기능 |
FT-5000 샘플링 가스감지기 사양 | |
측정가스 (Measuring Gas) | 가연성가스, 독성 및 유해가스 동시측정 (맞춤설정가능) : CH4, O2, H2S, CO, CO2, ,etc. |
측정범위 (Measuring Range) | 0~100 %LEL-가연성, 0~25%Vol, 100 %Vol-산소, 0~ppm - 유독성, 유기용제 VOC |
측정방식 (Measuring Method) | 펌프흡입식 Auto Sampling (Suction) type |
측정신호 (Measuring Signal) | 4~20mA.DC (Transmitter) - 아날로그, Realy contact (H.HH) or 24V.DC, (H.HH) RS-485 Modbus - 디지털 |
측정표시 (Measuring Display) | 컬러 LCD Digital display |
응답속도/허용오차 (Response Time/Accuracy) | 20초 이내 / ±3% 이내 / Full scale |
정격전압 (Rated Voltage) | 24V.DC / AC 220V |
정격전류 (Rated Current) /전력소비 | 150mA / 3.6W |
전신도관 (Conduit connection cable) | 3/4 (22MM) PF, NPT |
설치 방식 (Mounting type) | Wall mounting or 2 “ Pole mounting |
주변온도 (Ambient Temperature) | -40℃~+60℃ |
내압방폭승인 (Approval) | Ex db II C T6 / KCS |
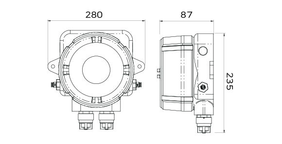
외형치수/무게 (Dimension/Weight) | 280(W) × 235(H) × 165(D)(mm) / 10 kg |


FT-5000 샘플링 가스감지기 특징 | |
2차 폭발을 방지하는 내압 방폭구조 | |
전기적인 Noise 최소화 | |
감지센서의 안전한 동작을 위해 정전압 회로 구성 | |
빠른 응답 속도, 강력한 간섭 방지 기능 | |
고급 진공 흡입 펌프를 사용한 정밀 가스 측정 | |
고품질 가스센서를 사용하여 뛰어난 감도와 반복성 제공 | |
작업자 1인으로 교정 및 유지보수 간편 | |
Display에서 교정 설정, 교정일자 표시로 관리주기 확인 편리 | |
마그네틱키로 현장 디스플레이에서 교정 및 다양한 프로그램 설정 | |
센서 타입별, 그룹별로 감기지 PCB 교체없이 센서교체만으로 운영가능 | |
4-20mA. DC 표준 출력 제공, 릴레이 접점 출력 | |
DCS & PLC 모니터링 시스템에 연결 | |
각종 제어 기기 연결하여 사용 | |
5자리 표기된 LCD 디스플레이 | |
고휘도 LED Flash Lamp (H,HH) | |
점멸 (Flickening), 점등 (Lighting) 사용자 선택 기능 |
FT-5000 샘플링 가스감지기 사양 | |
측정가스 (Measuring Gas) | 가연성가스, 독성 및 유해가스 동시측정 (맞춤설정가능) : CH4, O2, H2S, CO, CO2, ,etc. |
측정범위 (Measuring Range) | 0~100 %LEL-가연성, 0~25%Vol, 100 %Vol-산소, 0~ppm - 유독성, 유기용제 VOC |
측정방식 (Measuring Method) | 펌프흡입식 Auto Sampling (Suction) type |
측정신호 (Measuring Signal) | 4~20mA.DC (Transmitter) - 아날로그, Realy contact (H.HH) or 24V.DC, (H.HH) RS-485 Modbus - 디지털 |
측정표시 (Measuring Display) | 컬러 LCD Digital display |
응답속도/허용오차 (Response Time/Accuracy) | 20초 이내 / ±3% 이내 / Full scale |
정격전압 (Rated Voltage) | 24V.DC / AC 220V |
정격전류 (Rated Current) /전력소비 | 150mA / 3.6W |
전신도관 (Conduit connection cable) | 3/4 (22MM) PF, NPT |
설치 방식 (Mounting type) | Wall mounting or 2 “ Pole mounting |
주변온도 (Ambient Temperature) | -40℃~+60℃ |
내압방폭승인 (Approval) | Ex db II C T6 / KCS |
외형치수/무게 (Dimension/Weight) | 280(W) × 235(H) × 165(D)(mm) / 10 kg |



